Khóa điện tử Hafele DL6100 là giải pháp an ninh thông minh với thiết kế hiện đại, tích hợp nhiều phương thức mở khóa tiện lợi, mang lại sự bảo mật vượt trội và tiện nghi cho người dùng trong không gian sống hiện đại ngày nay.
Đánh giá chi tiết về khóa điện tử Hafele DL6100
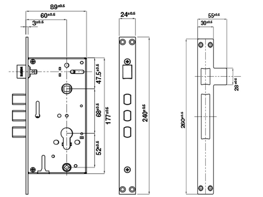
Thiết kế hiện đại và cao cấp
Khóa Hafele DL6100 mang đậm phong cách thiết kế chuẩn Đức với mặt trước và sau có kích thước đều là 70 x 290 x 26 mm. Khóa sở hữu màu đen sang trọng kết hợp với vật liệu hợp kim nhôm và nhựa ABS giúp tăng độ bền, chống ăn mòn và phù hợp với nhiều phong cách nội thất khác nhau.

Khóa điện tử có kiểu mở cửa xoay truyền thống, hỗ trợ cửa có độ dày từ 38mm - 60mm và đố cửa tối thiểu 110mm.
Bảo mật thông minh với 5 phương thức mở khóa
DL6100 nổi bật với công nghệ mở khóa 5 in 1 gồm: Vân tay, mã số, thẻ từ, chìa cơ và mở qua app Hafele Smart Living. Cảm biến vân tay điện dung hiện đại giúp nhận diện chính xác tới 99,99% chỉ trong 0.5 giây. Ngoài ra, tính năng xác thực kép cho phép người dùng kết hợp 2 trong 3 phương thức (vân tay/mã số/thẻ từ) để tăng cường bảo mật.

Tính năng đa dạng, dễ sử dụng
Khóa tích hợp nhiều tính năng hữu ích như: Quản lý phân quyền người dùng, chống sao chép mật khẩu, chế độ riêng tư từ bên trong khóa, cảnh báo khi có dấu hiệu đột nhập và cảnh báo pin yếu. Ngoài ra, khóa có thể cung cấp nguồn điện khẩn cấp thông qua cổng micro USB trong trường hợp hết pin, giúp tránh việc bị kẹt ngoài cửa.
Dung lượng lưu trữ và nguồn điện
Khóa có khả năng lưu trữ tới 100 vân tay, 50 thẻ từ và 50 mật khẩu, đủ đáp ứng nhu cầu sử dụng từ hộ gia đình đến văn phòng nhỏ. Khóa sử dụng 4 viên pin AA 1.5V với thời gian sử dụng dài. Trong trường hợp pin yếu, người dùng có thể dùng pin dự phòng hoặc chìa cơ để mở khóa.


Lưu ý: Hình ảnh sản phẩm chỉ có tính chất minh họa, chi tiết sản phẩm, màu sắc có thể thay đổi tùy theo sản phẩm thực tế.

Đánh giá Khóa điện tử Hafele DL6100 (912.20.582)
Bạn đang băn khoăn cần tư vấn? Vui lòng để lại số điện thoại hoặc lời nhắn, META sẽ liên hệ trả lời bạn sớm nhất.